Wensenlijst (
)
Vergelijk (
)
Inloggen
Tip bij zoeken: geen enter geven krijgt u een popup
0
Winkelwagen
/
Leeg
Your cart
×
Er zijn geen items meer in uw wagen
Inloggen
HOME
Product Categorieën
Navigatie & Veiligheid
Aanleggen & Ankeren
Dekbeslag
Boordverlichting & Electra
Motor & Stuursystemen
Rigging & Touw
Water- & Tanksystenen
Onderhoud & Anodes
Uitrusting
Comfort aan Boord
Navigatie
Antennes en toebehoren
Marifoon antennes
Toebehoren marifoon antennes
Houders / bevestigingen
TV antennes
Toebehoren TV antennes
Coax kabel
Noodantenne
Antennes
Antenne onderdelen en accessoires
Verre-, Nachtkijkers
Verrekijkers
Verrekijker onderdelen en accessoires
Windmeters / windvaan
Windvaan
Verklikkers
Windsnelheidsmeter
Navigatie accessoires
Kaartpassers
Navigatie linealen en plotters
Hellingmeter
Overige navigatie accessoires
Barometers en klokken
Klokken, barometers etc.
Onderdelen, opties en accessoire
Barograaf
Kompas
Kompas Contest
Contest 101
Contest 130
Contest accessoires
Contest mini
Kompas Offshore
Offshore 55
Offshore 75
Offshore 95
Offshore 105
Offshore 115
Offshore 135
Offshore accessoires
Kompas Olympic
Olympic mini en tactical
Olympic 95
Olympic 100
Olympic 115
Olympic 135
Olympic accessoires
Kompas Iris 50 of 100
Kompas mini
Kompas onderdelen en accessoires
Kompas verlichting
Kompas Allpa
Kompas Ritchie
Dieptemeters
Fishfinders / GPS kaartplotters
Snelheidsmeter
Instrumenten en toebehoren
Advansea instrumenten
Onderdelen en accessoire
Nasa instrumenten
Scanstrut houders
Wereldontvanger
Kaarten
Kustnavigatie kaarten
Zeekaarten
Rivier Navigatie gidsen
Transducers
Radio en speakers
Radio
Speakers
Veiligheid
Veiligheidslijnen / gordel
Looplijnen
Veiligheidslijnen
Veiligheidsgordel
Veiligheidsladder
Vlaggenstokken / houders
Vlaggenstokhouder
Vlaggenstokken
Zeil cijfers / letters
Zeilnummers
Zeilletters
Bootsmanstoel
Touwsnijders
EHBO / Overlevingsuitrusting
EHBO en Overlevingsuitrusting
Brandblussers / opbergkast
Nood duikuitrusting
Reddingsvlotten
Reddingsvlot
Reddinsvlot onderdelen en accessoires
Grab bags
Reddingsvesten
Zwemvesten/Reddingsvesten kleiner dan 100N
100 N
150 N t/m 220 N
275 N of 300N
Reddingsvest onderdelen en accessoires
Overige reddingsvesten
Honden / katten reddingsvesten
Radarreflectoren
Radarreflector
Radar onderdelen en accessoires
Reddingsboeien
Reddingsboei
Reddingsboeihouders
Reddingslijnen / houders
Railconnectors
Reddingsboeienset
Reddingsboei onderdelen en accessoires
Reddingsboeienlicht
Scheepshoorns
Scheepshoorn
Misthoorns
Luchthoorns
Overige scheepshoorns
Zakmessen / multitool
Zichtseinen
Loodlijnen
Aanleggen
Drijvers
Aanlegringen
Haakstokken
Platform
Zwemtrappen
touwladders
zwemtrap
Zwemtrap onderdelen en accessoires
Meerpennen
Steigerbumpers
Fenders
Stootwillen
Kogelfenders
Boegfenders
Druppelfenders
Fender steps
Hoekfenders
Platte fenders
Ringfenders
Parabor
Grote fenders
Overig
Fender sokken
Fenderkorven
Accessoires
Meerboeien
Wedstrijdboeien
Ankers
Diverse ankers
Anker compleet-pakket
Ankerlijn pakket
Drijfankers
Lichtgewicht ankers (Fortress Guardian LFX)
FHD ankers
Paraplu ankers
Ploegschaar ankers
Rotsanker
Vlakke ankers
Ankers overige
Drenkelingendreg
Boegbeschermings plaat
Kettingen en connectors
Ketting connectors en pijpen
Kettingen
Ankerverbinders
Ankerlieren en toebehoren
Remote controllers
Anker veiligheidsstrap
C3 Capstan
Dekschakelaars
Handschakelaars
Kettingteller
Pro Fish Freefall / Pro Sport Serie
RVS ketting stoppers
Ankerlieren
Overige ankerlieren
Boegrollers
Kettingmarkering
Dekbeslag
Dekdoorvoeren
Dekdoorvoeren kunststof
Dekdoorvoeren RVS
Dekdoorvoeren rubber
Dekdoorvoeren verchroomd messing
Huiddoorvoer
Wantputtingen / schootogen
Wantputting waterdicht
Wantputting rond
Wantputting driehoekig
Schootogen
Vishengelhouders
Vishengelhouders vast
Vishengelhouders verstelbaar
Vishengelstandaard
Vishengelhouders inbouw
Vishengelhouder onderdelen en accessoires
Valgeleiders / stoppers
Valstopper
Valgeleiders / Organizers
Scepters en scepterpotten
Bolders / Kikkers
Bolders / Kikkers RVS
Verhaalkammen
Houten kikkers en toebehoren
Verzonken kikkers
Speciale Bolders/ Kikkers
Schuurlijsten
Bolders / Kikkers Aluminium
Bolders / Kikkers kunststof
Bolders / Kikkers verchroomd
Bevestiging materiaal
Klemmen
Dekbeugels
Scharnier bevestiging
Neerklapbaar bevestigingsoog
Oogbouten en moeren
Ski/wakeboard accessoires
Beschermstrips / Stootlijsten
Klemmen / Cleats
Overige en accessoires
Touw / lus klemmen
Vouw en boog cleats
Boog cleats
Cleats voor 1-6mm lijn
Cleats voor 4-8mm lijn
Cleats voor 6-10mm lijn
Cleats voor 6-16mm lijn
Cleats voor 10-16mm lijn
Schootklemmen
Ronstan blokken / schijven
Vioolblokken
Staaldraadblok
RVS blokken
Ronstan Orbit blok
Ronstan Orbit ratched
Ronstan 20/30 BB serie Orbit
Ronstan Orbit toebehoren
Overige Ronstan blokken
Keerblok
Ronstan Core blokken
1 schijfs blok
2 schijfs blok
Doorvoerblok
3 schijfs blok
Staand blok
Teak rooster
Lieren en toebehoren
Lierhendel
Service en upgrading kits
Lieren
Lewmar selftailing lieren
Lieren onderdelen en accessoires
Lewmar blokken / schijven
Lewmar organizers
Synchro snapsluiting
Voetblokken
Lewmar Synchro blok
Lewmar HTX Blok
Upgrade kit voor controle schijven
Cleat kit voor eindstop
Schijfkit
Becket kit
HYE blokken / schijven
Schijven
Vlaggelijnblokken
1 schijfs met beugel/oog
1 schijfs met warteloog
2 schijfs met beugel
2 schijfs met warteloog
3 schijfs met beugel
2 schijfs met warteloog en hondsvot
2 schijfs met warteloog, hondsvot en cleat
3 schijfs met (wartel)oog en hondsvot
1 schijfs met (wartel)oog en hondsvot
Enkel met snap sluiting
Vioolblokken
Voetblok
3 schijfs met warteloog, hondsvot en cleat
Railingbeslag en railingnet
Railingbeslag
Railingnet
Overige railingbeslag
Boordverlichting en elektra
Accu's en toebehoren
Accubakken
Batterijen
Acculaders / oplaadkabel
Accuschakelaars
Overige accu toebehoren
Omvormers
Accukabel en klemmen
Binnenverlichting
Plafonnieres
Kaartleeslampen
Inbouwlampen/spots
Tafel- / wandlampen
Overige binnenverlichting
Wandarmen
Lampenkappen
Walmvangers
Navigatieverlichting
Navigatieverlichting overige
Heklicht
Verlichting onderdelen en accessoires
Navigatieverlichting serie AS 34
Navisafe navigatieverlichting
Lantaarns
Lampen
Overige reserve lampen
Lampen met bajonetsluiting
Halogeen lampjes
Festoon
LED reserve lampjes
Adapter / fittingen
Navigatie reserve lampen
Zekeringen
Zekeringdozen
Zekeringhouder
Automatische zekeringen
Zekeringenkast
Unipolaire zekeringen
Zekering
Schijnwerpers
Schijnwerper onderdelen en accessoires
Zaklampen
Zoeklicht en schijnwerpers
hoofdlamp
Dekverlichting
Mast- / Dek- / Afmeerverlichting
Verlichting op stang
Indirecte verlichting / verlichting strip
Schakelaars
Trekschakelaars
Hoofdstroom schakelaars
Tuimelschakelaars
Drukknop schakelaars
Verlichtingsdimmers en schakelaars
Overige schakelaars
Luidsprekers
Elektra
Kabels
Verbindingsblokken / dozen
Controlelampjes
Krimpkousen
Tie-wraps en bevestigingsbeugels
Draadklemmen / kabelschoenen
Bekabeling en toebehoren
Dekdoorvoer bekabeling
Verlengkabels / Adaptersnoeren
Stopcontacten
Stekkers
Walstroom stekker / aansluitingen
Stekker + stopcontact
Stekker
TV en Telefoonstekkers
Schakelpanelen
Motoren en toebehoren
Onderhoud / smeren
Buitenboord motoren en toebehoren
Buitenboordmotorhoes
Onderdelen / accessoires
Motorsteun en spiegelbescherming
Brandstoftank buitenboordmotor
Electrische buitenboordmotoren
Stroomonderbrekers
Brandstoftoebehoren
Brandstofleiding/slang
Jerrycan / trechters / maatbekers
Motoraansluitingen / Adapters
Overige filters
Brandstoffilter
Pompbal
Accesoires voor Racor filters
Brandstofaansluitingen
Brandstofkranen
Uitlaatsystemen en toebehoren
Uitlaatklemmen
Waterlock / dempers
Oliepompen / carterpompen
Oliepomp en carterpomp
Overige olie pompen
Flens
Meters / tellers
GPS snelheidsmeter
Oliedruk / temperatuur meters
Roerstandaanwijzers
Uren- / Toerenteller
Ampere / Voltmeter
Overige meters en tellers
Water (temperatuur) meter
Brandstof meter
NMEA 2000
Motor Connector
Div. connectors
Uitlaatdoorvoeren
Gever
Impeller
Motorsteunen inboard
Stuursystemen
Schroef en Boegschroeven
Boegschroef
Hekschroef
Aansluit accessoires
Boegschroef bediening
Helmstokverlengers
Helmstokverlenger
Helmstok onderdelen en accessoires
Hydraulische stuursystemen
Cilinders
Stuurpompen
Stuursysteem onderdelen en accessoire
Hydraulische stuursysteem
Kabeldoorvoeren
Motorbedieningen
Éénhendel bedieningsunits
Tweehendels bedieningsunits
Motorbediening onderdelen en accessoire
Motorbedieningskabels
Motorbedieningskabel
Kabel onderdelen en accessoires
Stuurwielen
Stuurwielen hout
Stuurwiel
Stuurwiel onderdelen en accessoires
Stuursysteem
Stuursystemen diverse
Brake spinners
Stuursysteem onderdelen en accessoires
Roerbeslagen
Roerbeslag
Spiegelbeslag
Overige roerbeslag
Trimsystemen
Motorbedieningshandel + mechanisme
Hydro-stabilisator
VDO / Veratron
Sensoren VDO Veratron
Brandstof Niveau Sensoren
Water Niveau Sensoren
Drukgever sensoren
Temperatuur Sensoren
Meters VDO Veratron
Ampere Meters
Druk Meters
Toerenteller Meters
Volt Meters
Brandstof Meters
Frontringen
Rigging
Puntkousen
RVS Puntkousen
Nylon puntkous
RVS Eikousen
Gegalvaniseerd staal puntkous
Montageklem
Lashulzen en tangen
Lashulzen
Mastbeslag
Buizen en Buiskapbeslag
Karbijnhaken / Musketonhaken
Karabijnhaken
Karabijnhaken Borg
Karabijnhaken met oog
Musketonhaken
Giek toebehoren
Giekbeugels
Giekhoezen
Giektenten
Giekophouder / boomstrut
Sluitingen
D-sluiting
D-sluiting normaal
D-sluiting imbus
D-sluiting lang
D-sluiting met brug
D-sluiting plat
Harp sluiting
Gedraaide sluitingen
Overige sluitingen
Snelsluitingen
Snapsluitingen
Snapsluitingen
Snap- wartel- gaffelsluiting
Snapsluitingen warteloog
Noodschalmen
S Haak
Overige snapsluitingen
Quick release snapsluiting
Spinakkerboom / beslag
Spinnakerboombeslag
Spinnakerbomen
Spinakkerboom onderdelen en accessoires
Railingdraad en Staaldraad
Railingdraad / Staaldraad
Staaldraad beschermers
Staaldraadklemmen
Stagleuvers/ Glijleuvers
Tapes reparatie / spinnaker tape
Afplakband
Beschermingstape
Colour stripe
Elektriciteitstape
Kite tape
Klittenband
Reflecterend tape
Watervast tape Ducktape
Wave tape
Zelfvulkaniserende tape
Vinyl foam tape
Waterlijn-band
Soft-grip
Overige tapes
Reparatiedoek
Leak Stop
Reparatietape
Go-Fast Tape
Dubelzijdige tape
Wantspanner beschermer
Wantspannersbeslag
Zeillatten en toebehoren
Zeilogen / kousen en gereedschap
Zeilogen, kousen en knopen
Gereedschap en overige
Zeilbevestigers / haken / Elastieken
Zeilbevestigers/binders
Trapeze elastiek
Haken
Facnor Furling systems
Facnor Flatdeck
FX Spinnaker / Genaker furler
Overige facnors
Pennen en ringen
Sliphaakringen
Togglepennen
Splitpennen
Borgringen / ringen
Pelikaanhaken
Stormfok
Zalingsokken
Rolsystemen
Overige rolsystemen
Rolreefsysteem
Rolsysteem onderdelen en accessoires
Onderdelen rolreefsysteem plastimo serie S
Onderdelen rolreefsysteem plastimo serie T
Spanners en Terminals
Gaffelterminal / spanner
Oogterminal
Ballterminals
Studterminals / spanner
Toggleterminals / spanner
Parafil spanners
Overige spanners en terminals
Haak Terminal
Jaw Toggles
Spanschroef
Eindhaken
Railingdraad terminal
STA-LOK systeem
Achter- / Baby Stagspanners
Insulator
Supajust RVS spanners
Touw
Landvastveren / lijn bescherming
Lijnspoelen
Vlaggenlijnen
Garen
Tipolest whipping twine
Fenderlijn, Landvasten en ankerlijnen
Kant en klaar lijnen
Fenderlijn
Landvast
Ankerlijn
Trim en Val lijnen
Loodlijn
Landvasten / ankerlijnen
Diverse lijnen
Superlene / Slipstream
Overige lijnen
Touwgereedschap / toebehoren
Val / Schoot lijnen
kite- en waterskilijn
Trim / reef lijnen
Soft Shackle / Fokkeschoot verbinding
Anti-torsie lijn
Verjongde lijnen
Splitsservice op maat
Water - en Tanksystemen
Whale Quick connect systeem
Slangaansluiting / koppelingen / connectors
Slangtules messing
Verloop- / verbindings nippel
Slang aansluiting recht
Slang aansluiting haaks
Slangkoppelingen/aansluitingen kunststof
Slangkoppelingen koper
Slangpistolen
T-Connector
Afsluitdop
kranen en aansluitingen
Kranen
Uitloop
Terugslagventiel / klep
Schakelaar / regelaar
Overige kranen
Jerrycan - trechters - maatbekers
Pijpen en koppelingen
Ontluchtingsbochten
Gevers
Dekdoppen en toebehoren
Adapters voor dekdoppen
Dekdoppen
Reserve dekdoppen
Overige dekdoppen
Pluggen
Filters
Impellers
Impellers Renault
Impellers Vetus
Impellers Volvo
Impellers Johnson/OMC/Evinrude
Impellers Yanmar
Impellers Jabsco
Impellers Tohatsu
Impellers Yamaha
Impellers Suzuki
Impellers Honda
Impellers Mercury/Mariner/Mercruiser
Impellers DJ Pump
Impellers JMP
Slangen
Drinkwaterslangen
Overige slangen
Multi-purpose slang
Slangklemmen
Assortiments dozen
Slangklemmen RVS
Wasbak afvoeren
Afvoer voor wasbakken
Tanks
Tankontluchters
Brandstoftanks
Flexibele watertanks
Tank onderdelen, opties en accessoires
Vuil- / Watertanks
Meters
Hydrophoortanks
Toiletten / Bidet
Electrische toiletten
Elektrische ombouwset
Handbediende Toiletten
Toilet onderdelen en accessoires
RM69 onderdelen
RM69 onderdelen Marine handtoilet
RM69 onderdelen Marine Sealock Toilet
RM69 onderdelen Handtoilet met Bayonet sluiting
Jabsco onderdelen
TECMA onderdelen / bedieningspaneel
Talamex onderdelen
Albin onderdelen
Rheinstrom onderdelen
Chemische, draagbare toiletten
Doorvoeren
Huiddoorvoer kunststof
Huiddoorvoer Messing
Huiddoorvoeren RVS
Ventilatiedoorvoeren
Spuigaten
Huiddoorvoeren met in te frezen vlakke flens
Afsluiters
Afsluit kranen
Lenspluggen
Vlotterschakelaars en bedieningspanelen
Vlotterschakelaar
Hoog water alarm
TruDesign NZ
TruDesign kogelafsluiters
TruDesign huiddoorvoeren
Diverse huiddoorvoer
Flush huiddoorvoeren
Huiddoorvoeren met tule
Manchet voor huiddoorvoer
Montage sleutel
TruDesign beluchters
TruDesign aquavalve
Aquavalva rechte 45° en 90° tules
Onderdelen voor aquavalve
TruDesign scoop / waterschelp
TruDesign Slangtules
Slangtules met schroefdraad
Y-slangtule
Slangverbinding
Verloop recht
TruDesign connector 90° binnen / buitendraad
TruDesign verlopen
Verlopen
Y-verloop
TruDesign kunststof moeren
Kunststof scharnieren
TruDesign terugslagklep
Verf en onderhoud
Deckmate
Dulon onderhoudsproducten
Wassen en schrobben
Dekborstels en dweilen
Wassen
Pads & doeken
Tape/ plastic
Tape
Afplak plastic
Spuitlakken / primers
Motor spuitlak
Overige spuitlak
Lijmen en kitten
Lijmen
Kitten
Antivries
Olie/ vetten
Schilder benodigheden
Houten pluggen
Reparatiemiddelen
Primers en kleurpigmenten
Primers
Kleurpigmenten
Stelen en accessoires
Hozen
Puts / emmers
Hoosvat
Houten pluggen
Zeil reparatie
Gereedschap
Tangen
Mes
Overige gereedschap
Touw gereedschap
Instaleren impellers
Zeil reparatie benodigheden
Naalden en handpalmen
Multi-tool
Uitrusting
Luiken
Luikbediening
Luiken aluminium
Luik onderdelen en accessoires
Inspectieluiken
Flush luiken
Profile luiken
Ocean Luiken
Opbergluiken
Trimkit
Moonlight luiken
Gasveren / Uithouders
Gasveren en uithouders
Overige uithouders en veren
Uithouders
Ventilatoren
Ventilatoren (blowers)
Ventilator, platte en paddenstoel
Dekventilatoren en toebehoren
Ventilatieschelpen
Dekventilatoren
Anti-slip materiaal
Antislipbekleding niet zelfklevend
Antislipbekleding zelfklevend
Anti-slip tape
Overige Anti-slip
Sluitingen Diverse
Drukknopslot
Luiksloten
Overvalsluitingen
Grendels
Kajuithaak
Inbouwsloten
Snapsloten
Overige div. sluitingen
Zeil en canvas sluitingen
Sloten
Cijfersloten
Kabelsloten
Overige sloten
Hangsloten
Buitenboordmotor slot
Scharnier
Scharnieren aluminium
Scharnieren kunsstof
Scharnieren messing
Scharnieren hoogglans
Uitneembare scharnieren
Scharnieren RVS
Pianoscharnieren
Overige, piano enz.
Ruitenwissers / systemen
Wisserbladen
Wisserarm
Ruitenwissermotor
Handbediende ruitenwissers
Ruitenwissercontrole box
Patrijspoorten
Atlantic patrijspoort
Flush mitre patrijspoort
Portlights
Portlight flyscreens
Afdichtingsringen patrijspoorten
Patrijspoort
Scope
Handgrepen
Luikringen
Houten ringen
Handgreep
Deurgrepen
Dorade box / Luchthappers
Dorade box en Luchthappers
Onderdelen en toebehoren
Deurstoppers
Kleding haken
Comfort aan boord
Kussens
Zitkussens
Railingkussens
Overige comfort aan boord
Hoezen
Lierhoezen
Opblaasboot afdekkleed
Houders
Muggenhor / verduistering
Sleutelhangers
Scheepsbellen
Slapen
Opberg zakken / tassen
Waterdichte zakken / containers
Tas: vallen, lierhandels, schoten en touw
Tassen
Ophangsysteem touwen
Stoelen en toebehoren
Stoelen
Stoelpoten en toebehoren
Tafels en toebehoren
Tafelbladen
Tafels
Tafelpoten / zuilen
Tafel onderdelen en accessoires
Rolgordijnen
Railing toebehoren
Railing beschermers
Badkamer
Dek tenten / Bimini
Bimini kappen / zonneschermen
Dektenten / afdekzeil
Koelen en koken
Spoelbakken
Kooktoestellen
Fornuis
Oven / grill
Spoel en kook combinatie
Kooktoestel
kook onderdelen en accessoires
Afzuigkap
Koffiezetapparaten / waterkokers
Koelboxen / kasten
Koelboxen
Koel- Vrieskasten
Verdamper
Koel onderdelen en accessoires
Koellade
Koelsystemen
Omvormer
Draagbare koelboxen
Gas installaties
Gaskraan
Gasslang/gasleiding
Gasdruk regelaar
Koppelstukken
Gasalarm
Gas Onderdelen en accessoires
Servies en toebehoren
BBQ
Gasbarbecue
BBQ Onderdelen, opties en accessoires
Cobb BBQ
BROCHURE LEVERANCIERS
MERKEN
BLOG
CONTACT
Over Ons
MIJN ACCOUNT
Home
CATEGORIEËN
Aanleggen
Drijvers
Aanlegringen
Haakstokken
Platform
Zwemtrappen
touwladders
zwemtrap
Zwemtrap onderdelen en accessoires
Meerpennen
Steigerbumpers
Fenders
Stootwillen
Kogelfenders
Boegfenders
Druppelfenders
Fender steps
Hoekfenders
Platte fenders
Ringfenders
Parabor
Grote fenders
Overig
Fender sokken
Fenderkorven
Accessoires
Meerboeien
Wedstrijdboeien
Ankers
Diverse ankers
Anker compleet-pakket
Ankerlijn pakket
Drijfankers
Lichtgewicht ankers (Fortress Guardian LFX)
FHD ankers
Paraplu ankers
Ploegschaar ankers
Rotsanker
Vlakke ankers
Ankers overige
Drenkelingendreg
Boegbeschermings plaat
Kettingen en connectors
Ketting connectors en pijpen
Kettingen
Ankerverbinders
Ankerlieren en toebehoren
Remote controllers
Anker veiligheidsstrap
C3 Capstan
Dekschakelaars
Handschakelaars
Kettingteller
Pro Fish Freefall / Pro Sport Serie
RVS ketting stoppers
Ankerlieren
Overige ankerlieren
Boegrollers
Kettingmarkering
Anodes
Aluminiumanodes
magnesiumanodes
Zinkanodes
Schroefas anodes
Volvo
Yamaha
Suzuki
Yanmar
Mercury
Renault
Honda
Johnson marine
Moer anodes
Borgringen RVS
Boordverlichting en elektra
Accu's en toebehoren
Accubakken
Batterijen
Acculaders / oplaadkabel
Accuschakelaars
Overige accu toebehoren
Omvormers
Accukabel en klemmen
Binnenverlichting
Plafonnieres
Kaartleeslampen
Inbouwlampen/spots
Tafel- / wandlampen
Overige binnenverlichting
Wandarmen
Lampenkappen
Walmvangers
Navigatieverlichting
Navigatieverlichting overige
Heklicht
Verlichting onderdelen en accessoires
Navigatieverlichting serie AS 34
Navisafe navigatieverlichting
Lantaarns
Lampen
Overige reserve lampen
Lampen met bajonetsluiting
Halogeen lampjes
Festoon
LED reserve lampjes
Adapter / fittingen
Navigatie reserve lampen
Zekeringen
Zekeringdozen
Zekeringhouder
Automatische zekeringen
Zekeringenkast
Unipolaire zekeringen
Zekering
Schijnwerpers
Schijnwerper onderdelen en accessoires
Zaklampen
Zoeklicht en schijnwerpers
hoofdlamp
Dekverlichting
Mast- / Dek- / Afmeerverlichting
Verlichting op stang
Indirecte verlichting / verlichting strip
Schakelaars
Trekschakelaars
Hoofdstroom schakelaars
Tuimelschakelaars
Drukknop schakelaars
Verlichtingsdimmers en schakelaars
Overige schakelaars
Luidsprekers
Elektra
Kabels
Verbindingsblokken / dozen
Controlelampjes
Krimpkousen
Tie-wraps en bevestigingsbeugels
Draadklemmen / kabelschoenen
Bekabeling en toebehoren
Dekdoorvoer bekabeling
Verlengkabels / Adaptersnoeren
Stopcontacten
Stekkers
Walstroom stekker / aansluitingen
Stekker + stopcontact
Stekker
TV en Telefoonstekkers
Schakelpanelen
Connectors
Sigaretten aanstekers
Binnen- en buitenverlichting
Sensor voor olie / water
Mastervolt systems
Draadloos opladen
Comfort aan boord
Kussens
Zitkussens
Railingkussens
Overige comfort aan boord
Hoezen
Lierhoezen
Opblaasboot afdekkleed
Houders
Muggenhor / verduistering
Sleutelhangers
Scheepsbellen
Slapen
Opberg zakken / tassen
Waterdichte zakken / containers
Tas: vallen, lierhandels, schoten en touw
Tassen
Ophangsysteem touwen
Stoelen en toebehoren
Stoelen
Stoelpoten en toebehoren
Tafels en toebehoren
Tafelbladen
Tafels
Tafelpoten / zuilen
Tafel onderdelen en accessoires
Rolgordijnen
Railing toebehoren
Railing beschermers
Badkamer
Dek tenten / Bimini
Bimini kappen / zonneschermen
Dektenten / afdekzeil
Afwerkproppen teak / pluggen
Trap treden
Vogel verschrikkers
Verwarming
Dekbeslag
Dekdoorvoeren
Dekdoorvoeren kunststof
Dekdoorvoeren RVS
Dekdoorvoeren rubber
Dekdoorvoeren verchroomd messing
Huiddoorvoer
Wantputtingen / schootogen
Wantputting waterdicht
Wantputting rond
Wantputting driehoekig
Schootogen
Vishengelhouders
Vishengelhouders vast
Vishengelhouders verstelbaar
Vishengelstandaard
Vishengelhouders inbouw
Vishengelhouder onderdelen en accessoires
Valgeleiders / stoppers
Valstopper
Valgeleiders / Organizers
Scepters en scepterpotten
Bolders / Kikkers
Bolders / Kikkers RVS
Verhaalkammen
Houten kikkers en toebehoren
Verzonken kikkers
Speciale Bolders/ Kikkers
Schuurlijsten
Bolders / Kikkers Aluminium
Bolders / Kikkers kunststof
Bolders / Kikkers verchroomd
Bevestiging materiaal
Klemmen
Dekbeugels
Scharnier bevestiging
Neerklapbaar bevestigingsoog
Oogbouten en moeren
Ski/wakeboard accessoires
Beschermstrips / Stootlijsten
Klemmen / Cleats
Overige en accessoires
Touw / lus klemmen
Vouw en boog cleats
Boog cleats
Cleats voor 1-6mm lijn
Cleats voor 4-8mm lijn
Cleats voor 6-10mm lijn
Cleats voor 6-16mm lijn
Cleats voor 10-16mm lijn
Schootklemmen
Ronstan blokken / schijven
Vioolblokken
Staaldraadblok
RVS blokken
Ronstan Orbit blok
Ronstan Orbit ratched
Ronstan 20/30 BB serie Orbit
Ronstan Orbit toebehoren
Overige Ronstan blokken
Keerblok
Ronstan Core blokken
1 schijfs blok
2 schijfs blok
Doorvoerblok
3 schijfs blok
Staand blok
Losse onderdelen
Teak rooster
Lieren en toebehoren
Lierhendel
Service en upgrading kits
Lieren
Lewmar selftailing lieren
Lieren onderdelen en accessoires
Lewmar blokken / schijven
Lewmar organizers
Synchro snapsluiting
Voetblokken
Lewmar Synchro blok
Lewmar HTX Blok
Upgrade kit voor controle schijven
Cleat kit voor eindstop
Schijfkit
Becket kit
HYE blokken / schijven
Schijven
Vlaggelijnblokken
1 schijfs met beugel/oog
1 schijfs met warteloog
2 schijfs met beugel
2 schijfs met warteloog
3 schijfs met beugel
2 schijfs met warteloog en hondsvot
2 schijfs met warteloog, hondsvot en cleat
3 schijfs met (wartel)oog en hondsvot
1 schijfs met (wartel)oog en hondsvot
Enkel met snap sluiting
Vioolblokken
Voetblok
3 schijfs met warteloog, hondsvot en cleat
Schildpadblokken
Staaldraadblokken
RVS keerblokken Pfeiffer
Railingbeslag en railingnet
Railingbeslag
Railingnet
Overige railingbeslag
Genua- en travellerrail
Rail
Grootschootsystemen
Overloop sledes
Genuaslede
Sleden X Rail
Overige Sledes
Ronstan Overloop- genuasledes en rail
Genua T-rail large
RC8190 rail en sledes
RC8270 rail en sledes
RC7251 rail en sledes
Overloopsysteem I-model en serie 22
RC72540 racing kit serie 25
RC9190 rail en sledes
Eindstukken / stoppers
Harken blokken en schijven
16 mm blokken
22mm Micro blokken
Classic Blocks (bullet dinghy exit en midrange)
Carbo Blocks div. maten
Element blocks 45 mm 60 mm 80 mm
Stainless Steel ESP
Black Magic
Crossover Black Magic
Over the top
Rolfokblokken
ESP
Zircon blocks
Schootklem
Geleide ogen
Thimbles
Through-Deck
Two-Speed Mainsheet Systems
Wire High-Stength
Flip-Flop
Overloop
Harken onderdelen
Overige Harken
Overige blokken en schijven
Overige blokken
Loop blokken en toebehoren Tye Tec
MXEvo one piece blokken
Ringen / Thimbles
Selden blokken en Schijven
EASY Block blokken en schijven
RAILBLAZA systems en accessoires
Gereedschap
Tangen
Mes
Overige gereedschap
Touw gereedschap
Instaleren impellers
Zeil reparatie benodigheden
Naalden en handpalmen
Multi-tool
Hengelsport
Minn Kota / boegmotor
Downrigger / hengelhouder
Vis tools
Opberg boxen
Kleding
Laarzen en sokken
Handschoenen
Zonnebrillen / koord
Koelen en koken
Spoelbakken
Kooktoestellen
Fornuis
Oven / grill
Spoel en kook combinatie
Kooktoestel
kook onderdelen en accessoires
Afzuigkap
Koffiezetapparaten / waterkokers
Koelboxen / kasten
Koelboxen
Koel- Vrieskasten
Verdamper
Koel onderdelen en accessoires
Koellade
Koelsystemen
Omvormer
Draagbare koelboxen
Gas installaties
Gaskraan
Gasslang/gasleiding
Gasdruk regelaar
Koppelstukken
Gasalarm
Gas Onderdelen en accessoires
Servies en toebehoren
BBQ
Gasbarbecue
BBQ Onderdelen, opties en accessoires
Cobb BBQ
Milieu vriendelijke produkten
Motoren en toebehoren
Onderhoud / smeren
Buitenboord motoren en toebehoren
Buitenboordmotorhoes
Onderdelen / accessoires
Motorsteun en spiegelbescherming
Brandstoftank buitenboordmotor
Electrische buitenboordmotoren
Stroomonderbrekers
Brandstoftoebehoren
Brandstofleiding/slang
Jerrycan / trechters / maatbekers
Motoraansluitingen / Adapters
Overige filters
Brandstoffilter
Pompbal
Accesoires voor Racor filters
Brandstofaansluitingen
Brandstofkranen
Uitlaatsystemen en toebehoren
Uitlaatklemmen
Waterlock / dempers
Oliepompen / carterpompen
Oliepomp en carterpomp
Overige olie pompen
Flens
Meters / tellers
GPS snelheidsmeter
Oliedruk / temperatuur meters
Roerstandaanwijzers
Uren- / Toerenteller
Ampere / Voltmeter
Overige meters en tellers
Water (temperatuur) meter
Brandstof meter
NMEA 2000
Motor Connector
Div. connectors
Uitlaatdoorvoeren
Gever
Impeller
Motorsteunen inboard
Navigatie
Antennes en toebehoren
Marifoon antennes
Toebehoren marifoon antennes
Houders / bevestigingen
TV antennes
Toebehoren TV antennes
Coax kabel
Noodantenne
Antennes
Antenne onderdelen en accessoires
Verre-, Nachtkijkers
Verrekijkers
Verrekijker onderdelen en accessoires
Windmeters / windvaan
Windvaan
Verklikkers
Windsnelheidsmeter
Navigatie accessoires
Kaartpassers
Navigatie linealen en plotters
Hellingmeter
Overige navigatie accessoires
Barometers en klokken
Klokken, barometers etc.
Onderdelen, opties en accessoire
Barograaf
Kompas
Kompas Contest
Kompas Offshore
Kompas Olympic
Kompas Iris 50 of 100
Kompas mini
Kompas onderdelen en accessoires
Kompas verlichting
Kompas Allpa
Kompas Ritchie
Dieptemeters
Fishfinders / GPS kaartplotters
Snelheidsmeter
Instrumenten en toebehoren
Advansea instrumenten
Onderdelen en accessoire
Nasa instrumenten
Scanstrut houders
Wereldontvanger
Kaarten
Kustnavigatie kaarten
Zeekaarten
Rivier Navigatie gidsen
Transducers
Radio en speakers
Radio
Speakers
Horloges
Marifoon
Opblaasboten
Opblaas pompen
Hand / Voetpomp
Elektrische pomp
Overige opblaasboot artikelen
Reparatieset / lijm
Reparatieset
Lijm voor opblaasboten
Bescherm hoezen
Motor hoezen
Afdekzeil / hoezen
Opblaasboot toebehoren
Boot tassen
Stuurconsole
Overige opblaasboten toebehoren
Zitting
Roeiriemen / peddels
Steekpeddels
Roeiriemen
Deelbare roeiriemen
Manchetten
Roeidollen
Overige roeiriemen
Bootshaakpeddel
Roeiriem onderdelen en accessoires
Cleaners / onderhoud
Fun tubes
SUP board
Waterski's
Waterskilijn
Trailers en toebehoren
Handtrailers
Neuswiel voor trailers
Bootbuggy / transportwielen
Trailer onderdelen en accessoires
Trailerstekkers
Rubber rollers / stoppers
Assen en ringen
Verzinkte U-beugels
Trailerlieren
Trailerlier
Lierkabel/band
Beschermkappen trailer lieren
Bijboten / opblaasboten
Davits
Losse sloten
Banden en Gespen
Sjor- lierbanden
Gesp onderdelen en accessoires
Gespen
Optimist onderdelen (kleine boten)
Rigging
Puntkousen
RVS Puntkousen
Nylon puntkous
RVS Eikousen
Gegalvaniseerd staal puntkous
Montageklem
Lashulzen en tangen
Lashulzen
Mastbeslag
Buizen en Buiskapbeslag
Karbijnhaken / Musketonhaken
Karabijnhaken
Karabijnhaken Borg
Karabijnhaken met oog
Musketonhaken
Giek toebehoren
Giekbeugels
Giekhoezen
Giektenten
Giekophouder / boomstrut
Sluitingen
D-sluiting
Harp sluiting
Gedraaide sluitingen
Overige sluitingen
Snelsluitingen
Snapsluitingen
Snapsluitingen
Snap- wartel- gaffelsluiting
Snapsluitingen warteloog
Noodschalmen
S Haak
Overige snapsluitingen
Quick release snapsluiting
Spinakkerboom / beslag
Spinnakerboombeslag
Spinnakerbomen
Spinakkerboom onderdelen en accessoires
Railingdraad en Staaldraad
Railingdraad / Staaldraad
Staaldraad beschermers
Staaldraadklemmen
Stagleuvers/ Glijleuvers
Tapes reparatie / spinnaker tape
Afplakband
Beschermingstape
Colour stripe
Elektriciteitstape
Kite tape
Klittenband
Reflecterend tape
Watervast tape Ducktape
Wave tape
Zelfvulkaniserende tape
Vinyl foam tape
Waterlijn-band
Soft-grip
Overige tapes
Reparatiedoek
Leak Stop
Reparatietape
Go-Fast Tape
Dubelzijdige tape
Wantspanner beschermer
Wantspannersbeslag
Zeillatten en toebehoren
Zeilogen / kousen en gereedschap
Zeilogen, kousen en knopen
Gereedschap en overige
Zeilbevestigers / haken / Elastieken
Zeilbevestigers/binders
Trapeze elastiek
Haken
Facnor Furling systems
Facnor Flatdeck
FX Spinnaker / Genaker furler
Overige facnors
Pennen en ringen
Sliphaakringen
Togglepennen
Splitpennen
Borgringen / ringen
Pelikaanhaken
Stormfok
Zalingsokken
Rolsystemen
Overige rolsystemen
Rolreefsysteem
Rolsysteem onderdelen en accessoires
Spanners en Terminals
Gaffelterminal / spanner
Oogterminal
Ballterminals
Studterminals / spanner
Toggleterminals / spanner
Parafil spanners
Overige spanners en terminals
Haak Terminal
Jaw Toggles
Spanschroef
Eindhaken
Railingdraad terminal
STA-LOK systeem
Achter- / Baby Stagspanners
Insulator
Supajust RVS spanners
Stuursystemen
Schroef en Boegschroeven
Boegschroef
Hekschroef
Aansluit accessoires
Boegschroef bediening
Helmstokverlengers
Helmstokverlenger
Helmstok onderdelen en accessoires
Hydraulische stuursystemen
Cilinders
Stuurpompen
Stuursysteem onderdelen en accessoire
Hydraulische stuursysteem
Kabeldoorvoeren
Motorbedieningen
Éénhendel bedieningsunits
Tweehendels bedieningsunits
Motorbediening onderdelen en accessoire
Motorbedieningskabels
Motorbedieningskabel
Kabel onderdelen en accessoires
Stuurwielen
Stuurwielen hout
Stuurwiel
Stuurwiel onderdelen en accessoires
Stuursysteem
Stuursystemen diverse
Brake spinners
Stuursysteem onderdelen en accessoires
Roerbeslagen
Roerbeslag
Spiegelbeslag
Overige roerbeslag
Trimsystemen
Motorbedieningshandel + mechanisme
Hydro-stabilisator
Touw
Landvastveren / lijn bescherming
Lijnspoelen
Vlaggenlijnen
Garen
Tipolest whipping twine
Fenderlijn, Landvasten en ankerlijnen
Kant en klaar lijnen
Loodlijn
Landvasten / ankerlijnen
Diverse lijnen
Superlene / Slipstream
Overige lijnen
Touwgereedschap / toebehoren
Val / Schoot lijnen
kite- en waterskilijn
Trim / reef lijnen
Soft Shackle / Fokkeschoot verbinding
Anti-torsie lijn
Verjongde lijnen
Splitsservice op maat
TruDesign NZ
TruDesign kogelafsluiters
TruDesign huiddoorvoeren
Diverse huiddoorvoer
Flush huiddoorvoeren
Huiddoorvoeren met tule
Manchet voor huiddoorvoer
Montage sleutel
TruDesign beluchters
TruDesign aquavalve
Aquavalva rechte 45° en 90° tules
Onderdelen voor aquavalve
TruDesign scoop / waterschelp
TruDesign Slangtules
Slangtules met schroefdraad
Y-slangtule
Slangverbinding
Verloop recht
TruDesign connector 90° binnen / buitendraad
TruDesign verlopen
Verlopen
Y-verloop
TruDesign kunststof moeren
Kunststof scharnieren
TruDesign terugslagklep
Uitrusting
Luiken
Luikbediening
Luiken aluminium
Luik onderdelen en accessoires
Inspectieluiken
Flush luiken
Profile luiken
Ocean Luiken
Opbergluiken
Trimkit
Moonlight luiken
Gasveren / Uithouders
Gasveren en uithouders
Overige uithouders en veren
Uithouders
Ventilatoren
Ventilatoren (blowers)
Ventilator, platte en paddenstoel
Dekventilatoren en toebehoren
Ventilatieschelpen
Dekventilatoren
Anti-slip materiaal
Antislipbekleding niet zelfklevend
Antislipbekleding zelfklevend
Anti-slip tape
Overige Anti-slip
Sluitingen Diverse
Drukknopslot
Luiksloten
Overvalsluitingen
Grendels
Kajuithaak
Inbouwsloten
Snapsloten
Overige div. sluitingen
Zeil en canvas sluitingen
Sloten
Cijfersloten
Kabelsloten
Overige sloten
Hangsloten
Buitenboordmotor slot
Scharnier
Scharnieren aluminium
Scharnieren kunsstof
Scharnieren messing
Scharnieren hoogglans
Uitneembare scharnieren
Scharnieren RVS
Pianoscharnieren
Overige, piano enz.
Ruitenwissers / systemen
Wisserbladen
Wisserarm
Ruitenwissermotor
Handbediende ruitenwissers
Ruitenwissercontrole box
Patrijspoorten
Atlantic patrijspoort
Flush mitre patrijspoort
Portlights
Portlight flyscreens
Afdichtingsringen patrijspoorten
Patrijspoort
Scope
Handgrepen
Luikringen
Houten ringen
Handgreep
Deurgrepen
Dorade box / Luchthappers
Dorade box en Luchthappers
Onderdelen en toebehoren
Deurstoppers
Kleding haken
Roosters
Louvre roosters
Ventilatieroosters rechthoekig
Ventilatieroosters rond
Ventilatieroosters vierkant
Flenzen / slangen
Slangflenzen
Ventilatie slangen
Spiegels
Wandbekelding
Afdekzeilen
IJzerwaren
Moeren
Bouten
Schroeven
Borgringen en ringen
Popnagels
Dropnosepin
Borst bouten
VDO / Veratron
Sensoren VDO Veratron
Brandstof Niveau Sensoren
Water Niveau Sensoren
Drukgever sensoren
Temperatuur Sensoren
Meters VDO Veratron
Ampere Meters
Druk Meters
Toerenteller Meters
Volt Meters
Brandstof Meters
Frontringen
Veiligheid
Veiligheidslijnen / gordel
Looplijnen
Veiligheidslijnen
Veiligheidsgordel
Veiligheidsladder
Vlaggenstokken / houders
Vlaggenstokhouder
Vlaggenstokken
Zeil cijfers / letters
Zeilnummers
Zeilletters
Bootsmanstoel
Touwsnijders
EHBO / Overlevingsuitrusting
EHBO en Overlevingsuitrusting
Brandblussers / opbergkast
Nood duikuitrusting
Reddingsvlotten
Reddingsvlot
Reddinsvlot onderdelen en accessoires
Grab bags
Reddingsvesten
Zwemvesten/Reddingsvesten kleiner dan 100N
100 N
150 N t/m 220 N
275 N of 300N
Reddingsvest onderdelen en accessoires
Overige reddingsvesten
Honden / katten reddingsvesten
Radarreflectoren
Radarreflector
Radar onderdelen en accessoires
Reddingsboeien
Reddingsboei
Reddingsboeihouders
Reddingslijnen / houders
Railconnectors
Reddingsboeienset
Reddingsboei onderdelen en accessoires
Reddingsboeienlicht
Scheepshoorns
Scheepshoorn
Misthoorns
Luchthoorns
Overige scheepshoorns
Zakmessen / multitool
Zichtseinen
Loodlijnen
Noodzenders / signalen
Veiligheidslichten
Veiligheidspakketten
Opsporingsstaken
Opsporingsstaak
Staak onderdelen en accessoires
Alarm
Werpbal / keesje
Verf en onderhoud
Deckmate
Dulon onderhoudsproducten
Wassen en schrobben
Dekborstels en dweilen
Wassen
Pads & doeken
Tape/ plastic
Tape
Afplak plastic
Spuitlakken / primers
Motor spuitlak
Overige spuitlak
Lijmen en kitten
Lijmen
Kitten
Antivries
Olie/ vetten
Schilder benodigheden
Houten pluggen
Reparatiemiddelen
Primers en kleurpigmenten
Primers
Kleurpigmenten
Stelen en accessoires
Hozen
Puts / emmers
Hoosvat
Houten pluggen
Zeil reparatie
Reiniging en Onderhoudsproducten
Coating en toebehoren
Teak onderhoud
Cleaners, shampoo en reinigers
Overige reiningings producten
McLube Marine
Starbrite
Toiletten reinigers
Slangen en toebehoren
Overige verf en onderhoud producten
Luchtontvochtigers
Hempel producten
Blanke lakken
Teakhout behandeling
Verdunner - thinner
Hempel Primer
Aflakken
Antifoulings
Ecopower
Silic One
Vlaggen
Nederland
Friesland
Provincies Nederland
Engeland
België
Duitsland
Europa
Overige landen
Geusvlag
Sleepvlag
Seinvlag
Overige vlaggen
Water - en Tanksystemen
Whale Quick connect systeem
Slangaansluiting / koppelingen / connectors
Slangtules messing
Verloop- / verbindings nippel
Slang aansluiting recht
Slang aansluiting haaks
Slangkoppelingen/aansluitingen kunststof
Slangkoppelingen koper
Slangpistolen
T-Connector
Afsluitdop
kranen en aansluitingen
Kranen
Uitloop
Terugslagventiel / klep
Schakelaar / regelaar
Overige kranen
Jerrycan - trechters - maatbekers
Pijpen en koppelingen
Ontluchtingsbochten
Gevers
Dekdoppen en toebehoren
Adapters voor dekdoppen
Dekdoppen
Reserve dekdoppen
Overige dekdoppen
Pluggen
Filters
Impellers
Impellers Renault
Impellers Vetus
Impellers Volvo
Impellers Johnson/OMC/Evinrude
Impellers Yanmar
Impellers Jabsco
Impellers Tohatsu
Impellers Yamaha
Impellers Suzuki
Impellers Honda
Impellers Mercury/Mariner/Mercruiser
Impellers DJ Pump
Impellers JMP
Slangen
Drinkwaterslangen
Overige slangen
Multi-purpose slang
Slangklemmen
Assortiments dozen
Slangklemmen RVS
Wasbak afvoeren
Afvoer voor wasbakken
Tanks
Tankontluchters
Brandstoftanks
Flexibele watertanks
Tank onderdelen, opties en accessoires
Vuil- / Watertanks
Meters
Hydrophoortanks
Toiletten / Bidet
Electrische toiletten
Elektrische ombouwset
Handbediende Toiletten
Toilet onderdelen en accessoires
Chemische, draagbare toiletten
Doorvoeren
Huiddoorvoer kunststof
Huiddoorvoer Messing
Huiddoorvoeren RVS
Ventilatiedoorvoeren
Spuigaten
Huiddoorvoeren met in te frezen vlakke flens
Afsluiters
Afsluit kranen
Lenspluggen
Vlotterschakelaars en bedieningspanelen
Vlotterschakelaar
Hoog water alarm
Wierroosters
Boilers
Warmwaterboiler
Boiler onderdelen en accessoires
Douche en toebehoren
Douche
Douchewater afvoersysteem
Douche onderdelen en accessoires
Pompen
Brandstofpompen
Overige pompen
Pomp onderdelen
Voetpompen
Drinkwaterpompen
Lenspomp / bilgepomp / membraanpomp
Vuilwaterpompen
Dekwas pomp / set
Koelwaterpomp
Kadobon
Takeaway
Catalogus leveranciers
Afhaal procedure
Voorraad, levertijd en leverkosten
Leveringsvoorwaarden
Privacy policy
Retouren
Menu
Zoeken
Inloggen
0
Winkelwagen
Home
Anodes
Zinkanodes
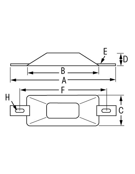
Opschroefanode zink div. maten
Opschroefanode zink div. maten
Artikel unieke code :
001078633
Merk :
Plastimo
ean13 :
3162420382207
€ 13.27
€ 10,95
Incl. Btw
Op voorraad verzonden binnen 1-3 werkdagen
Gewicht
0,30 kg
0,50 kg
2,2 kg
In winkelwagen
Omschrijving
Productdetails
Opschroefanode
Merk :
Plastimo
ean13 :
3162420382207
Klanten die dit product aangeschaft hebben kochten ook...
Zinkanodes
Opschroefanode zink div. maten type vetus
H00003028
€ 15,55
In winkelwagen
Kadobon
Nauticashop kadobon
H00002972
€ 10,00
In winkelwagen
Zinkanodes
Half-eivormige anodes zink in div. maten
H00001357
€ 11,20
In winkelwagen
Klik voor vergroting
×
You need to login or create account
×
Save products on your wishlist to buy them later or share with your friends.
E-mail
Wachtwoord
Uw wachtwoord vergeten?
No account? Create one here
Product added to wishlist
Product toegevoegd om te vergelijken
Zoeken
×