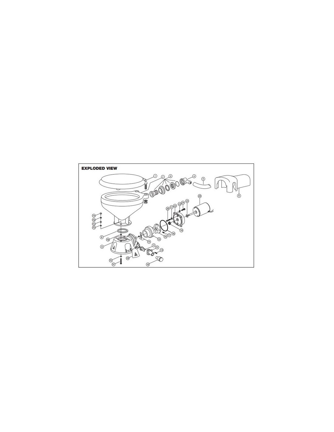
MOTOR WASTE PUMP ASSY 12V of 24V
MOTOR WASTE PUMP ASSY 12V of 24V

Motor waste pump assy 12v of 24v

Artikel unieke code :
280014630
Merk :
Jabsco
upc :
671880522366
€ 360.18 € 287,40
Incl. Btw
Op voorraad verzonden binnen 1-3 werkdagen
Volt

 

Jabsco Motor waste pump assy 12V of 24V

37072-0092 MOTOR WASTE PUMP ASSY 12V
37072-0094 MOTOR WASTE PUMP ASSY 24V

En alle artikelen op de afbeelding met + achter de omschrijving.
Voor o.a. Jabsco Stil Toilet (elektrisch)

Merk :
Jabsco
upc :
671880522366

Klanten die dit product aangeschaft hebben kochten ook...

Product added to wishlist
Product toegevoegd om te vergelijken